Helse

Debatt
Energieffektivisering kan gi betydelige helsegevinster

Podkast
Vi spår at de humanoide robotene overtar og at T-Rex blir gjenskapt
.jpg)
Brikkemagi skal gi færre dyreforsøk og bedre legemidler

Svenske agurker har fått usynlighetskappe

Slik hjelper hjernen deg når du blir eldre

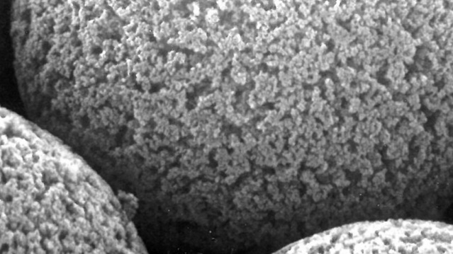
Ugelstadkulene: Den store, lille oppdagelsen

Podkast
Bruker roboter i rehabilitering

Norsk robot jakter på de beste kreftkrigerne

Øl-rester kan gi oss nyttig fett og medisiner

Har utviklet maling som beskytter mot virus og bakterier

Hønseegg kan i mange tilfelle erstatte forsøksdyr

Forskere advarer: Ozempic kan utløse depresjon og selvmordstanker

Mikroalger er like sunne som fisk: Forskere vil gjøre dem til menneskemat

Lykkepiller, virusdreper og malariakur: Derfor er medisinen din full av PFAS
